Product Summary
                                                  	The XC3042A-7PQ100C is a field programmable gate array. The XC3042A-7PQ100C provides a group of high-performance, high-density, digital integrated circuits. Their regular, extendable, flexible, user-programmable array architecture is composed of a configuration program store plus three types of configurable elements: a perimeter of I/O Blocks (IOBs), a core array of Configurable Logic Bocks (CLBs) and resources for interconnection. The XC3042A-7PQ100C provides schematic capture and auto place-and-route for design entry. Logic and timing simulation, and in-circuit emulation are available as design verification alternatives. The design editor is used for interactive design optimization, and to compile the data pattern that represents the configuration program. 
                                                  
Parametrics
XC3042A-7PQ100C absolute maximum ratings: (1)VCC Supply voltage relative to GND: -0.5 to +7.0 V; (2)VIN Input voltage with respect to GND: -0.5 to VCC +0.5 V; (3)VTS Voltage applied to 3-state output: -0.5 to VCC +0.5 V; (4)TSTG Storage temperature (ambient): -65 to +150 ℃; (5)TSOL Maximum soldering temperature (10 s @ 1/16 in.): +260 ℃; (6)TJ Junction temperature plastic: +125 ℃; (7)Junction temperature ceramic: +150 ℃.
Features
XC3042A-7PQ100C features: (1)Complete line of four related Field Programmable Gate Array product families; (2)Ideal for a wide range of custom VLSI design tasks; (3)High-performance CMOS static memory technology; (4)Flexible FPGA architecture; (5)Unlimited reprogrammability; (6)Extensive packaging options; (7)Ready for volume production.
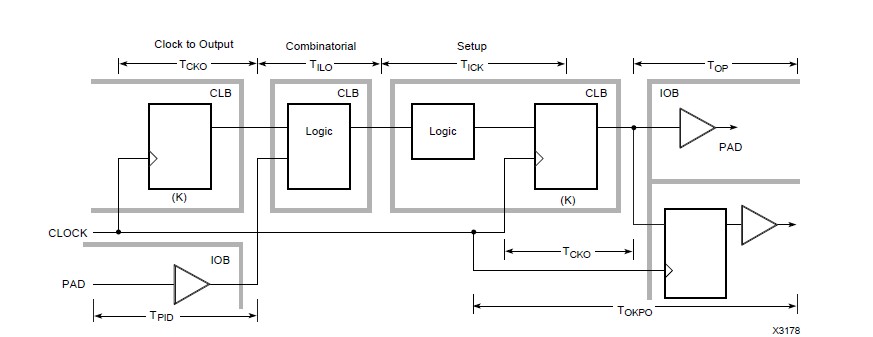
Diagrams

| Image | Part No | Mfg | Description | ![]()  | 
                            Pricing (USD)  | 
                            Quantity | ||||
|---|---|---|---|---|---|---|---|---|---|---|
![]()  | 
                            ![]() XC3042A-7PQ100C  | 
                            ![]()  | 
                            ![]() IC LOGIC CL ARRAY 4200GAT 100PQF  | 
                            ![]() Data Sheet  | 
                            ![]() Negotiable  | 
                            
                            	 | 
                      ||||
| Image | Part No | Mfg | Description | ![]()  | 
                            Pricing (USD)  | 
                            Quantity | ||||
![]()  | 
                            ![]() XC3000  | 
                            ![]() Other  | 
                            ![]()  | 
                            ![]() Data Sheet  | 
                            ![]() Negotiable  | 
                            
                            	 | 
                      ||||
![]()  | 
                            ![]() XC3000A  | 
                            ![]() Other  | 
                            ![]()  | 
                            ![]() Data Sheet  | 
                            ![]() Negotiable  | 
                            
                            	 | 
                      ||||
![]()  | 
                            ![]() XC3000L  | 
                            ![]() Other  | 
                            ![]()  | 
                            ![]() Data Sheet  | 
                            ![]() Negotiable  | 
                            
                            	 | 
                      ||||
![]()  | 
                            ![]() XC3020A-7PC84C  | 
                            ![]()  | 
                            ![]() IC LOGIC CL ARRAY 2000GAT 84PLCC  | 
                            ![]() Data Sheet  | 
                            ![]() Negotiable  | 
                            
                            	 | 
                      ||||
![]()  | 
                            ![]() XC3030-100PC44C  | 
                            ![]()  | 
                            ![]() IC LOGIC CL ARRAY 3000GAT 44PLCC  | 
                            ![]() Data Sheet  | 
                            ![]() Negotiable  | 
                            
                            	 | 
                      ||||
![]()  | 
                            ![]() XC3030-100PC68C  | 
                            ![]()  | 
                            ![]() IC LOGIC CL ARRAY 3000GAT 68PLCC  | 
                            ![]() Data Sheet  | 
                            ![]() Negotiable  | 
                            
                            	 | 
                      ||||
 (China (Mainland)) 
                         
                        
                                    








