Product Summary
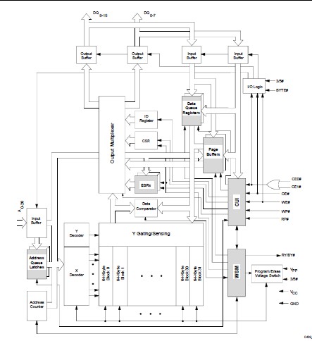
The DT28F320S3-110 is a Word-wide Flashfile Memory. The DT28F320S3-110 is the highest density, highest performance nonvolatile read/program solution for solid-state storage applications.
Parametrics
DT28F320S3-110 absolute maximum ratings: (1)Temperature under Bias: 0°C to +80°C; (2)Storage Temperature:–65°C to +125°C.
Features
DT28F320S3-110 features: (1)User-Selectable 3.3V or 5V VCC; (2)User-Configurable x8 or x16 Operation; (3)70 ns Maximum Access Time; (4)28.6 MB/sec Burst Write Transfer Rate; (5)1 Million Typical Erase Cycles per Block; (6)56-Lead, 1.2 mm x 14 mm x 20 mm TSOP Package; (7)56-Lead, 1.8 mm x 16 mm x 23.7 mm SSOP Package.
Diagrams

![]() |
![]() DT285N12KOF |
![]() Infineon Technologies |
![]() Discrete Semiconductor Modules 1200V 450A |
![]() Data Sheet |
![]()
|
|
||||||||
![]() |
![]() DT285N14KOF |
![]() Infineon Technologies |
![]() Discrete Semiconductor Modules 1400V 450A |
![]() Data Sheet |
![]()
|
|
||||||||
![]() |
![]() DT285N16KOF |
![]() Infineon Technologies |
![]() Discrete Semiconductor Modules 1600V 450A |
![]() Data Sheet |
![]()
|
|
||||||||
![]() |
![]() DT28EH-C0 |
![]() Panduit |
![]() Cable Mounting & Accessories Cable Tie, 96"L (2438mm), Extra-Heavy, |
![]() Data Sheet |
![]() Negotiable |
|
||||||||
![]() |
![]() DT28F004S5 |
![]() Other |
![]() |
![]() Data Sheet |
![]() Negotiable |
|
||||||||
![]() |
![]() DT28F160F3T120 |
![]() Other |
![]() |
![]() Data Sheet |
![]() Negotiable |
|
||||||||
(China (Mainland))









