Product Summary
The HD64F2328B is a 16-Bit Single-Chip Microcomputer, built around the H8S/2000 CPU, employing Renesas proprietary architecture, and equipped with supporting functions on-chip. The HD64F2328B has an internal 32-bit architecture, is provided with sixteen 16-bit general registers and a concise, optimized instruction set designed for high-speed operation, and can address a 16-Mbyte linear address space. The instruction set is upward-compatible with H8/300 and H8/300H CPU instructions at the object-code level, facilitating migration from the H8/300, H8/300L, or H8/300H Series.
Parametrics
HD64F2328B absolute maximum ratings: (1)Supply Voltage: -0.3 to +7.0 V; (2)Input Voltage: -0.3 to Vcc+0.3 V; (3)Operating Temperature: 0 to +70℃; (4)Storage Temperature: -55 to +150℃; (5)Darlington Drive Current: 10.0 mA; (6)Input Capacitance: 12.5 pF.
Features
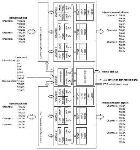
HD64F2328B features: (1)Sixteen 16-bit general registers (also usable as sixteen 8-bit registers or eight 32-bit registers); (2)High-speed operation suitable for realtime control; (3)Instruction set suitable for high-speed operation; (4)CPU operating mode Advanced mode: 16-Mbyte address space; (5)Address space divided into 8 areas, with bus specifications settable independently for each area; (6)Chip select output possible for each area; (7)Choice of 8-bit or 16-bit access space for each area; (8)2-state or 3-state access space can be designated for each area; (9)Number of program wait states can be set for each area; (10)Burst ROM directly connectable; (11)Maximum 8-Mbyte DRAM directly connectable (or use of interval timer possible); (12)External bus release function.
Diagrams

![]() |
![]() HD6412240TE13 |
![]() |
![]() IC H8S MPU ROMLESS 100TQFP |
![]() Data Sheet |
![]() Negotiable |
|
||||
![]() |
![]() HD6412322RVF25 |
![]() |
![]() IC H8S MCU ROMLESS 128-QFP |
![]() Data Sheet |
![]() Negotiable |
|
||||
![]() |
![]() HD6412322RVFBL25 |
![]() |
![]() IC H8S MCU ROMLESS 128-QFP |
![]() Data Sheet |
![]() Negotiable |
|
||||
![]() |
![]() HD6412332VFCBL25 |
![]() Renesas Technology America |
![]() IC H8S MCU ROMLESS 144-QFP |
![]() Data Sheet |
![]() Negotiable |
|
||||
![]() |
![]() HD6412350F20 |
![]() |
![]() IC H8S MPU ROMLESS 5V 128QFP |
![]() Data Sheet |
![]() Negotiable |
|
||||
![]() |
![]() HD6412350F20V |
![]() |
![]() IC H8S MPU ROMLESS 5V 128QFP |
![]() Data Sheet |
![]() Negotiable |
|
||||
(China (Mainland))










