Product Summary
The MRF286C is an RF Power Field Effect Transistor. The MRF286C is suitable for FM, TDMA, CDMA, and multicarrier amplifier applications. To be used in class A and class AB for PCN–PCS/cellular radio and WLL applications.
Parametrics
MRF286C absolute maximum ratings: (1)Drain–Source Voltage: VDSS: 65 Vdc; (2)Gate–Source Voltage: VGS: ±20 Vdc; (3)Total Device Dissipation: @ TC = 25°C:240W, Derate above 25°C: 1.37W/°C; (4)Storage Temperature Range: Tstg: –65 to +150 °C; (5)Operating Junction Temperature: TJ: 200 °C.
Features
MRF286C features: (1)Specified Two–Tone Performance @ 2000 MHz, 26 Volts: Output Power: 60 Watts (PEP), Power Gain: 9.5 dB, Intermodulation Distortion:–28 dBc; (2)Typical Two–Tone Performance at 2000 MHz, 26 Volts: Output Power: 60 Watts (PEP), Power Gain: 10.5 dB, Efficiency: 32%, Intermodulation Distortion:–30 dBc; (3)S–Parameter Characterization at High Bias Levels; (4)Capable of Handling 10:1 VSWR, @ 26 Vdc, 2000 MHz, 60 Watts (CW) Output Power; (5)Excellent Thermal Stability; (6)Characterized with Series Equivalent Large–Signal Impedance Parameters.
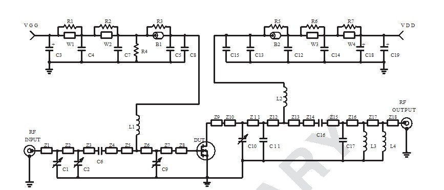
Diagrams

![]() |
![]() MRF20030 |
![]() Other |
![]() |
![]() Data Sheet |
![]() Negotiable |
|
||||
![]() |
![]() MRF20030R |
![]() Other |
![]() |
![]() Data Sheet |
![]() Negotiable |
|
||||
![]() |
![]() MRF20060 |
![]() Other |
![]() |
![]() Data Sheet |
![]() Negotiable |
|
||||
![]() |
![]() MRF20060_1248487 |
![]() Other |
![]() |
![]() Data Sheet |
![]() Negotiable |
|
||||
![]() |
![]() MRF20060R |
![]() Other |
![]() |
![]() Data Sheet |
![]() Negotiable |
|
||||
![]() |
![]() MRF20060RS |
![]() Other |
![]() |
![]() Data Sheet |
![]() Negotiable |
|
||||
(China (Mainland))








