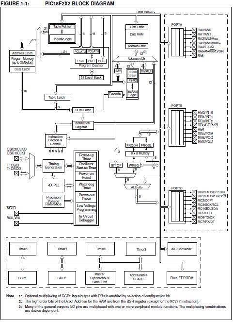
Product Summary
The PIC18F2220-I/P is a high performance, enhanced flash microcontroller with 10-bit A/D. The PIC18F2220-I/P comes in 28-pin and 40/44-pin packages. The 28-pin PIC18F242-I/SO does not have a Parallel Slave Port (PSP) implemented and the number of Analog-to-Digital (A/D) converter input channels is reduced to 5.
Parametrics
PIC18F2220-I/P absolute maximum ratings: (1)Ambient temperature under bias: -55℃ to +125℃; (2)Storage temperature: -65℃ to +150℃; (3)Voltage on any pin with respect to VSS (except VDD, MCLR, and RA4): -0.3V to (VDD + 0.3V); (4)Voltage on VDD with respect to VSS: -0.3V to +7.5V; (5)Voltage on MCLR with respect to VSS: 0V to +13.25V; (6)Voltage on RA4 with respect to Vss: 0V to +8.5V; (7)Total power dissipation: 1.0W; (8)Maximum current out of VSS pin: 300 mA; (9)Maximum current into VDD pin: 250 mA; (10)Input clamp current, IIK (VI < 0 or VI > VDD): ±20 mA.
Features
PIC18F2220-I/P features: (1)High current sink/source 25 mA; (2)Three external interrupt pins; (3)Timer0 module: 8-bit/16-bit timer/counter with 8-bit programmable prescaler; (4)Timer1 module: 16-bit timer/counter; (5)Timer2 module: 8-bit timer/counter with 8-bit period register (time-base for PWM); (6)Timer3 module: 16-bit timer/counter; (7)Secondary oscillator clock option - Timer1/Timer3; (8)Watchdog Timer (WDT) with its own On-Chip RC Oscillator for reliable operation; (9)Programmable code protection; (10)Power saving SLEEP mode.
Diagrams

![]() |
![]() PIC1018SCL |
![]() Other |
![]() |
![]() Data Sheet |
![]() Negotiable |
|
||||||||||||
![]() |
![]() PIC10F200 |
![]() Other |
![]() |
![]() Data Sheet |
![]() Negotiable |
|
||||||||||||
![]() |
![]() PIC10F200-E/MC |
![]() Microchip Technology |
![]() 8-bit Microcontrollers (MCU) 384B Flash16B RAM 4 I/O |
![]() Data Sheet |
![]()
|
|
||||||||||||
![]() |
![]() PIC10F200-E/OT |
![]() Other |
![]() |
![]() Data Sheet |
![]() Negotiable |
|
||||||||||||
![]() |
![]() PIC10F200-E/P |
![]() Microchip Technology |
![]() 8-bit Microcontrollers (MCU) U 579-PIC10F200-I/P |
![]() Data Sheet |
![]() Negotiable |
|
||||||||||||
![]() |
![]() PIC10F200-I/MC |
![]() Microchip Technology |
![]() 8-bit Microcontrollers (MCU) 0.375KB Fl 16B RAM |
![]() Data Sheet |
![]()
|
|
||||||||||||
(China (Mainland))









