Product Summary
                                                  	The 2SK369-GR is a TOSHIBA Field Effect Transistor.
                                                  
Parametrics
2SK369-GR absolute maximum ratings: (1)Gate-drain voltage VGDS: -40 V; (2)Gate current IG: 10 mA; (3)Drain power dissipation PD: 400 mW; (4)Junction temperature Tj: 125 ℃; (5)Storage temperature range Tstg: -55~125 ℃.
Features
2SK369-GR features: (1)Suitable for use as first stage for equalizer and MC head amplifiers.; (2)High |Yfs|: |Yfs| = 40 mS (typ.)(VDS = 10 V, VGS = 0, IDSS = 5 mA); (3)High breakdown voltage: VGDS = -40 V (min); (4)Super low noise: NF = 1.0dB (typ.)(VDS = 10 V, ID = 5 mA, f = 1 kHz, RG = 100 Ω); (5)High input impedance: IGSS = −1 nA (max)(VGS = -30 V).
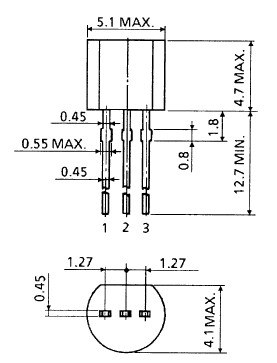
Diagrams

![]()  | 
                            ![]() 2SK3001  | 
                            ![]() Other  | 
                            ![]()  | 
                            ![]() Data Sheet  | 
                            ![]() Negotiable  | 
                            
                            	 | 
                      ||||||||||||
![]()  | 
                            ![]() 2SK3009  | 
                            ![]() Other  | 
                            ![]()  | 
                            ![]() Data Sheet  | 
                            ![]() Negotiable  | 
                            
                            	 | 
                      ||||||||||||
![]()  | 
                            ![]() 2SK3012  | 
                            ![]() Other  | 
                            ![]()  | 
                            ![]() Data Sheet  | 
                            ![]() Negotiable  | 
                            
                            	 | 
                      ||||||||||||
![]()  | 
                            ![]() 2SK3013  | 
                            ![]() Other  | 
                            ![]()  | 
                            ![]() Data Sheet  | 
                            ![]() Negotiable  | 
                            
                            	 | 
                      ||||||||||||
![]()  | 
                            ![]() 2SK3017  | 
                            ![]()  | 
                            ![]() MOSFET N-CH 900V 8.5A TO-3PN  | 
                            ![]() Data Sheet  | 
                            ![]() Negotiable  | 
                            
                            	 | 
                      ||||||||||||
![]()  | 
                            ![]() 2SK3017(F)  | 
                            ![]() Toshiba  | 
                            ![]() MOSFET MOSFET N-Ch 900V 8.5A Rdson 1.25 Ohm  | 
                            ![]() Data Sheet  | 
                            ![]() 
  | 
                            
                            	 | 
                      ||||||||||||
 (China (Mainland)) 
                         
                        
                                    







