Product Summary
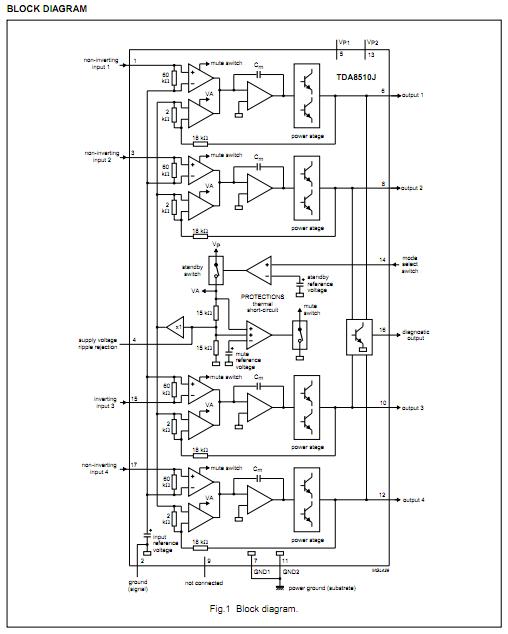
The TDA8510J is an integrated class-B output amplifier in a 17-lead single-in-line (SIL) power package. It contains a 26 W Bridge-Tied Load (BTL) amplifier and 2 × 13 W Single-Ended (SE) amplifiers. The TDA8510J is primarily developed for multi-media applications and active speaker systems (stereo with subwoofer).
Parametrics
TDA8510J absolute maximum ratings: (1)VP supply voltage operating: 18 V; (2)no signal: 20 V; (3)IOSM non-repetitive peak output current: 6A; (4)IORM repetitive peak output current: 4A; (5)Vsc AC and DC short-circuit safe voltage: 18 V; (6)Vrp reverse polarity voltage: 6V; (7)Ptot total power dissipation: 60 W; (8)Tstg storage temperature: -55 to +150℃; (9)Tamb operating ambient temperature: -40 to +85℃; (10)Tvj virtual junction temperature: 150℃.
Features
TDA8510J features: (1)Requires very few external components; (2)High output power; (3)Low output offset voltage (BTL channel); (4)Fixed gain; (5)Diagnostic facility (distortion, short-circuit and temperature detection); (6)Good ripple rejection; (7)Mode select switch (operating, mute and standby); (8)AC and DC short-circuit safe to ground and to VP; (9)Low power dissipation in any short-circuit condition; (10)Thermally protected; (11)Reverse polarity safe; (12)Electrostatic discharge protection; (13)No switch-on/switch-off plop; (14)Flexible leads; (15)Low thermal resistance; (16)Identical inputs (inverting and non-inverting).
Diagrams

| Image | Part No | Mfg | Description | ![]() |
Pricing (USD) |
Quantity | ||||||||||||
|---|---|---|---|---|---|---|---|---|---|---|---|---|---|---|---|---|---|---|
![]() |
![]() TDA8510J |
![]() Other |
![]() |
![]() Data Sheet |
![]() Negotiable |
|
||||||||||||
![]() |
![]() TDA8510J/N2,112 |
![]() NXP Semiconductors |
![]() Audio Amplifiers AMP POWER 26W 17-SIL |
![]() Data Sheet |
![]()
|
|
||||||||||||
(China (Mainland))










