Product Summary
The XCS10-4TQG144C is a Field Programmable Gate Array.
Parametrics
XCS10-4TQG144C absolute maximum ratings: (1)Supply voltage relative to GND:–0.5 to +7.0 V; (2)Input voltage relative to GND(2,3): –0.5 to VCC +0.5 V; (3)Voltage applied to 3-state output(2,3): –0.5 to VCC +0.5 V; (4)Storage temperature (ambient): –65 to +150 °C; (5)Junction temperature : +125 °C.
Features
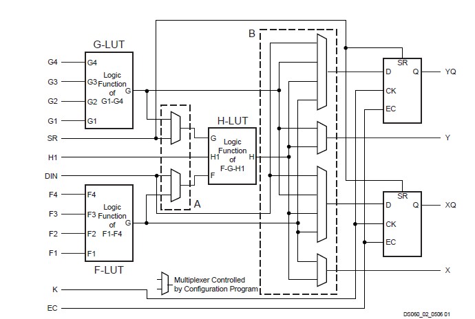
XCS10-4TQG144C features: (1)3.3V supply for low power with 5V tolerant I/Os; (2)Power down input; (3)Higher performance; (4)Faster carry logic; (5)More flexible high-speed clock network; (6)Latch capability in Configurable Logic Blocks; (7)Input fast capture latch; (8)Optional mux or 2-input function generator on outputs; (9)12 mA or 24 mA output drive; (10)5V and 3.3V PCI compliant; (11)Enhanced Boundary Scan; (12)Express Mode configuration.
Diagrams

![]() |
![]() XCS10-3PC84C |
![]() |
![]() IC FPGA 5V C-TEMP 84-PLCC |
![]() Data Sheet |
![]() Negotiable |
|
||||
![]() |
![]() XCS10-3TQ144C |
![]() |
![]() IC FPGA 5V C-TEMP 144-TQFP |
![]() Data Sheet |
![]() Negotiable |
|
||||
![]() |
![]() XCS10-3VQ100C |
![]() |
![]() IC FPGA 5V C-TEMP 100-VQFP |
![]() Data Sheet |
![]() Negotiable |
|
||||
![]() |
![]() XCS10-3VQ100I |
![]() |
![]() IC FPGA 5V I-TEMP 100-VQFP |
![]() Data Sheet |
![]() Negotiable |
|
||||
![]() |
![]() XCS10-3VQG100C |
![]() |
![]() IC FPGA 5V C-TEMP 100-VQFP |
![]() Data Sheet |
![]() Negotiable |
|
||||
![]() |
![]() XCS10-4PC84C |
![]() |
![]() IC FPGA 5V C-TEMP 84-PLCC |
![]() Data Sheet |
![]() Negotiable |
|
||||
(China (Mainland))









