Product Summary
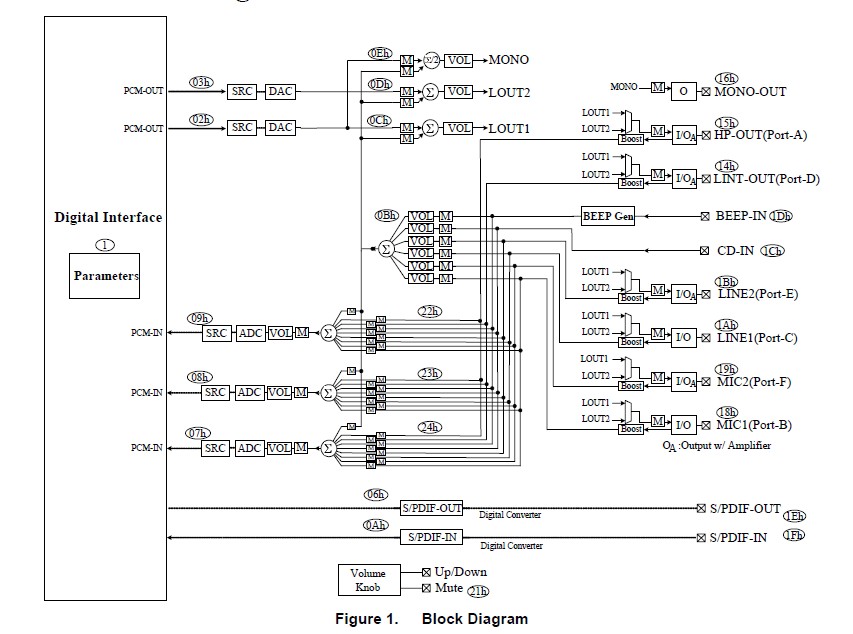
The ALC262-GR is a 4-channel high definition audio code with UAA, featuring two 24 bit stereo DACs and three 20 bit stereo ADCs, it is designed for high performance multimedia desktop and laptop systems. The ALC262-GR incorporates proprietary converter technology to achieve over 100dB signal-to-noise ratio playback quality; easily meeting PC2001 requirements and also bronging PC sound quality closer to consumer electronic devices.
Parametrics
ALC262-GR absolute maximum ratings: (1)Power supplies, Digital: 3.0 to 3.6V; (2)Ambient operating temperature, Ta: + 70℃; (3)Storage temperature, Ts: +125℃.
Features
ALC262-GR features: (1)High-performance DAC with 100dB SNR; (2)ADCs with 90dB ANR; (3)Meets performance requirements for audio on PC2001 systems; (4)All DACs supports 44.1K/48K/96K/192kHz sample rate; (5)Up to four channels of microphone input are supportsd for AEC/BE applications; (6)Supports MONO line output with independent volume control High quality analog differential CD input; (7)Two jack detection pins each designed to detect up to 4jacks; (8)Wide range volume control with 1.5dB resolution of analog to analog mixer gain.
Diagrams

![]() |
![]() ALC260D-VE-LF |
![]() Other |
![]() |
![]() Data Sheet |
![]() Negotiable |
|
||||
![]() |
![]() ALC202 |
![]() Other |
![]() |
![]() Data Sheet |
![]() Negotiable |
|
||||
(China (Mainland))








