Product Summary
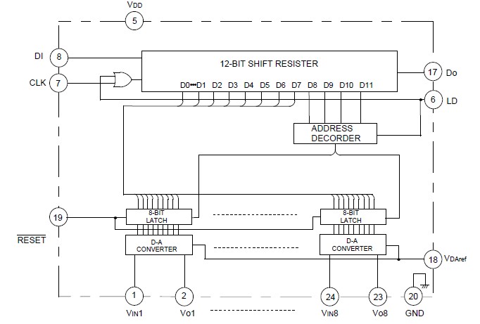
The M62364FP is an integrated circuit semiconductor of CMOS structure with 8 channels of buil-in 8-bit multiplication type D-A converters. The input data is a easy-to-use 3-wire serial method and it is able to cascading serial use with Do terminal. The M62364FP is suited for use in automatic adjustment combination of microcomputer. The applications of the M62364FP include: (1)Convertion from digital control data to analog control data for home-use and industrial equipment; (2)Automatic adjustment by combination with EEPROM and microcomputer.(replacement of conventional half-fixed resistor.); (3)Signal gain control of DISPLAY-MONITOR or CTV.
Parametrics
M62364FP absolute maximum ratings: (1)VDD Supply voltage: -0.3 to +7.0 V; (2)VIND Input voltage: -0.3 to +7.0 V; (3)VIN Input voltage: -0.3 to VDD+0.3 V; (4)Vo Output voltage: -0.3 to VDD+0.3 V; (5)VDAref D-A reference voltage: -0.3 to VDD+0.3 V; (6)Topr Operating temperature: -20 to +75℃; (7)Tstg Storage tempareture: -40 to +125℃.
Features
M62364FP features: (1)Digital data transfer method 3-wire serial data transfer method; (2)D-A converter system Employment of the additional higher-order segment R-2R method doubled precision compared to the convertional R-2R method; (3)Short setting time; (4)4 Quadrant multiplication.
Diagrams

| Image | Part No | Mfg | Description | ![]() |
Pricing (USD) |
Quantity | ||||||||||||
|---|---|---|---|---|---|---|---|---|---|---|---|---|---|---|---|---|---|---|
![]() |
![]() M62364FP |
![]() Other |
![]() |
![]() Data Sheet |
![]() Negotiable |
|
||||||||||||
| Image | Part No | Mfg | Description | ![]() |
Pricing (USD) |
Quantity | ||||||||||||
![]() |
![]() M623 |
![]() Flambeau |
![]() Enclosures, Boxes, & Cases 11x6-3/4x1-3/4 (2.04cf)13 Cmprtmnts |
![]() Data Sheet |
![]()
|
|
||||||||||||
![]() |
![]() M62301FP |
![]() Other |
![]() |
![]() Data Sheet |
![]() Negotiable |
|
||||||||||||
![]() |
![]() M62301SP |
![]() Other |
![]() |
![]() Data Sheet |
![]() Negotiable |
|
||||||||||||
![]() |
![]() M62320FP |
![]() Other |
![]() |
![]() Data Sheet |
![]() Negotiable |
|
||||||||||||
![]() |
![]() M62320P |
![]() Other |
![]() |
![]() Data Sheet |
![]() Negotiable |
|
||||||||||||
![]() |
![]() M62332FP |
![]() Other |
![]() |
![]() Data Sheet |
![]() Negotiable |
|
||||||||||||
(China (Mainland))









