Product Summary
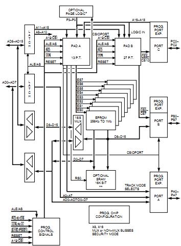
The ZPSD302B-90JI is a low cost field programmable microcontroller. The device integrates high-performance and user-configurable blocks of EPROM, programmable logic, and optional SRAM into one part. The ZPSD302B-90JI can provide a powerful microcontroller interface taht eliminates the need for external glue logic.
Parametrics
ZPSD302B-90JI absolute maximum ratings: (1)Tstg, storage temepature: -65 to 150℃; (2)voltage on any pin: -0.6 to 7V when with respect to GND; (3)VPP, programming supply voltage: -0.6 to 14V when with respect to GND; (4)VCC, supply voltage: -0.6 to 7V when with respect to GND; (5)ESD protection: >200V.
Features
ZPSD302B-90JI features: (1)single supply voltage: 5V±10%; (2)up to 1Mbit of EPROM; (3)up to 16Kbit SRAM; (4)input latches; (5)programmable I/O ports; (6)page logic; (7)programmable security.
Diagrams

| Image | Part No | Mfg | Description | ![]() |
Pricing (USD) |
Quantity | ||||
|---|---|---|---|---|---|---|---|---|---|---|
![]() |
![]() ZPSD302B-90JI |
![]() STMicroelectronics |
![]() SPLD - Simple Programmable Logic Devices 5.0V 512K 90ns |
![]() Data Sheet |
![]() Negotiable |
|
||||
| Image | Part No | Mfg | Description | ![]() |
Pricing (USD) |
Quantity | ||||
![]() |
![]() ZPSD211R |
![]() Other |
![]() |
![]() Data Sheet |
![]() Negotiable |
|
||||
![]() |
![]() ZPSD211RV |
![]() Other |
![]() |
![]() Data Sheet |
![]() Negotiable |
|
||||
![]() |
![]() ZPSD211RVB-20J |
![]() STMicroelectronics |
![]() SPLD - Simple Programmable Logic Devices 3.0V 256K 200ns |
![]() Data Sheet |
![]() Negotiable |
|
||||
![]() |
![]() ZPSD211RVB-20M |
![]() STMicroelectronics |
![]() SPLD - Simple Programmable Logic Devices R 511-PSD813F2VA-15M |
![]() Data Sheet |
![]() Negotiable |
|
||||
![]() |
![]() ZPSD301B-70J |
![]() STMicroelectronics |
![]() SPLD - Simple Programmable Logic Devices 5.0V 256K 70ns |
![]() Data Sheet |
![]() Negotiable |
|
||||
![]() |
![]() ZPSD301B-70U |
![]() STMicroelectronics |
![]() SPLD - Simple Programmable Logic Devices 5.0V 256K 70ns |
![]() Data Sheet |
![]() Negotiable |
|
||||
(China (Mainland))










