Product Summary
The MRF138 is an N-Channel enhancement mode MOSFET, intended for use in 28V applications up to 175 MHz.
Parametrics
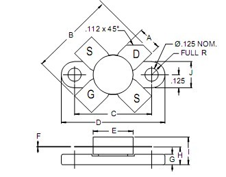
MRF138 absolute maximum ratings: (1)ID: 6.0 A; (2)V(BR)DSS: 65 V; (3)VDGR: 65 V; (4)VGS: ± 40 V; (5)PDISS: 115 W @ TC = 25 ℃; (6)TJ: -65 ℃ to +200 ℃; (7)TSTG: -65 ℃ to +150 ℃; (8)θJC: 1.52 ℃/W.
Features
MRF138 features: (1)PG = 17 dB Typ. at 30 W /30MHz; (2)30:1 Load VSWR Capability; (3)Omnigold Metalization System.
Diagrams

![]() |
![]() MRF1.6/5.6 |
![]() Other |
![]() |
![]() Data Sheet |
![]() Negotiable |
|
||||
![]() |
![]() MRF1.6/5.6-AP-2.5C |
![]() Hirose Connector |
![]() RF Connectors Obsolete |
![]() Data Sheet |
![]() Negotiable |
|
||||
![]() |
![]() MRF1.6/5.6-AP-59U |
![]() Hirose Connector |
![]() RF Connectors Obsolete |
![]() Data Sheet |
![]() Negotiable |
|
||||
![]() |
![]() MRF1.6/5.6-BCUPA |
![]() Hirose Connector |
![]() RF Connectors Obsolete |
![]() Data Sheet |
![]() Negotiable |
|
||||
![]() |
![]() MRF1.6/5.6-LPJ-179U |
![]() Hirose Connector |
![]() RF Connectors Obsolete |
![]() Data Sheet |
![]() Negotiable |
|
||||
![]() MRF1.6/5.6-LR-PC-1 |
![]() Hirose Connector |
![]() RF Connectors Obsolete |
![]() Data Sheet |
![]() Negotiable |
|
|||||
(China (Mainland))








