Product Summary
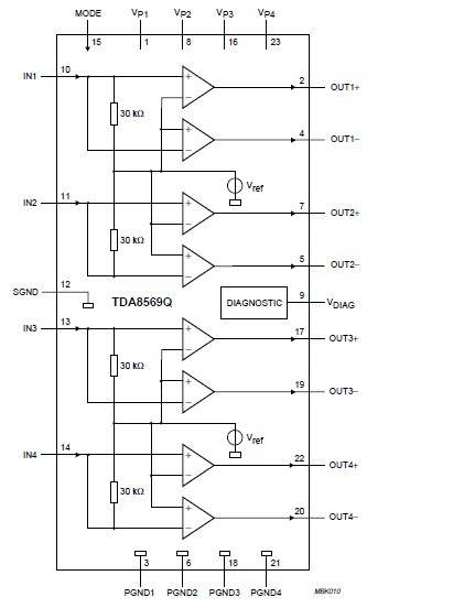
                                                  	The TDA8569Q is a BTL quad car radio power amplifier. The TDA8569Q is an integrated class-B output amplifier in a 23-lead Single-In-Line (SIL) plastic power package. It contains four amplifiers in BTL configuration, each with a gain of 26 dB. 
                                                  
Parametrics
TDA8569Q absolute maximum ratings: (1)Vsc(safe)short-circuit safe voltage: 18 V; (2)Vrp reverse polarity voltage: 6 V; (3)IOSM non-repetitive peak output current: 10 A; (4)IORM repetitive peak output current: 7.5 A; (5)Ptot total power dissipation: 60 W; (6)Tstg storage temperature: -55 +150 ℃; (7)Tamb operating ambient temperature: -40 +85 ℃; (8)Tvj virtual junction temperature: - 150 ℃.
Features
TDA8569Q features: (1)Capable of driving 2 W loads; (2)Requires very few external components; (3)High output power; (4)Low output offset voltage; (5)Fixed gain; (6)Diagnostic facility (distortion, short-circuit and temperature pre-warning); (7)Good ripple rejection; (8)Mode select switch (operating, mute and standby); (9)Load dump protection; (10)Short-circuit safe to ground and to VP and across the load; (11)Low power dissipation in any short-circuit condition; (12)Thermally protected; (13)Reverse polarity safe.
Diagrams

| Image | Part No | Mfg | Description | ![]()  | 
                            Pricing (USD)  | 
                            Quantity | ||||||||||
|---|---|---|---|---|---|---|---|---|---|---|---|---|---|---|---|---|
![]()  | 
                            ![]() TDA8569Q  | 
                            ![]() Other  | 
                            ![]()  | 
                            ![]() Data Sheet  | 
                            ![]() Negotiable  | 
                            
                            	 | 
                      ||||||||||
![]()  | 
                            ![]() TDA8569Q/N1,112  | 
                            ![]()  | 
                            ![]() IC AMP AUDIO PWR 40W QUAD 23SIL  | 
                            ![]() Data Sheet  | 
                            ![]() Negotiable  | 
                            
                            	 | 
                      ||||||||||
![]()  | 
                            ![]() TDA8569Q/N1S,112  | 
                            ![]() NXP Semiconductors  | 
                            ![]() Audio Amplifiers BTL QUAD CAR RADIO POWER AMP  | 
                            ![]() Data Sheet  | 
                            ![]() 
  | 
                            
                            	 | 
                      ||||||||||
![]()  | 
                            ![]() TDA8569Q/N1C  | 
                            ![]() NXP Semiconductors  | 
                            ![]() Audio Amplifiers CARRADIO POWER AMPS  | 
                            ![]() Data Sheet  | 
                            ![]() Negotiable  | 
                            
                            	 | 
                      ||||||||||
![]()  | 
                            ![]() TDA8569Q/N1C,112  | 
                            ![]() NXP Semiconductors  | 
                            ![]() Audio Amplifiers CARRADIO POWER AMPS  | 
                            ![]() Data Sheet  | 
                            ![]() Negotiable  | 
                            
                            	 | 
                      ||||||||||
 (China (Mainland)) 
                         
                        
                                    







