Product Summary
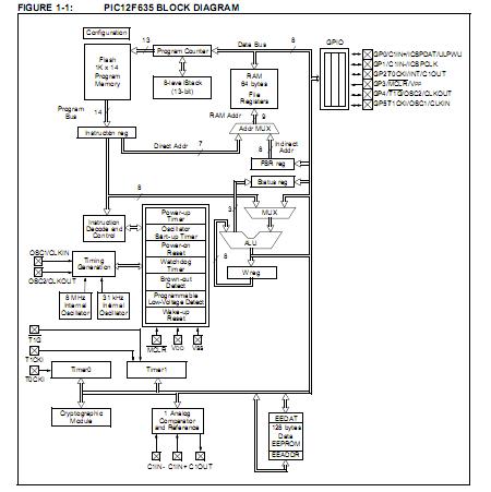
The PIC12F635T-I/MD is an 8-Pin Flash-Based 8-Bit CMOS Microcontroller. It is available in 8-pin PDIP, SOIC and DFN-S packages.
Parametrics
PIC12F635T-I/MD absolute maximum ratings: (1)Ambient temperature under bias: -40 to +125℃; (2)Storage temperature: -65℃ to +150℃; (3)Voltage on VDD with respect to VSS: -0.3 to +6.5V; (4)Voltage on MCLR with respect to Vss: -0.3 to +13.5V; (5)Voltage on all other pins with respect to VSS: -0.3V to (VDD + 0.3V); (6)Total power dissipation: 800 mW; (7)Maximum current out of VSS pin: 300 mA; (8)Maximum current into VDD pin: 250 mA; (9)Input clamp current, IIK (VI < 0 or VI > VDD): ± 20 mA; (10)Output clamp current, IOK (Vo < 0 or Vo >VDD): ± 20 mA; (11)Maximum output current sunk by any I/O pin: 25 mA; (12)Maximum output current sourced by any I/O pin: 25 mA; (13)Maximum current sunk by GPIO: 200 mA; (14)Maximum current sourced GPIO: 200 mA.
Features
PIC12F635T-I/MD features: (1)Power-saving Sleep mode; (2)Wide operating voltage range. (2.0V-5.5V); (3)Industrial and Extended temperature range; (4)Power-on Reset (POR); (5)Power-up Timer (PWRT) and Oscillator Start-up Timer (OST); (6)Brown-out Detect (BOD) with software control option; (7)Enhanced low current Watchdog Timer (WDT) with on-chip oscillator (software selectable nominal 268 seconds with full prescaler) with software enable; (8)Multiplexed Master Clear with pull-up/input pin; (9)Programmable code protection.
Diagrams

| Image | Part No | Mfg | Description | ![]()  | 
                            Pricing (USD)  | 
                            Quantity | ||||||||||||
|---|---|---|---|---|---|---|---|---|---|---|---|---|---|---|---|---|---|---|
![]()  | 
                            ![]() PIC12F635T-I/MD  | 
                            ![]() Microchip Technology  | 
                            ![]() 8-bit Microcontrollers (MCU) 2 KB 64 RAM 6I/O  | 
                            ![]() Data Sheet  | 
                            ![]() 
  | 
                            
                            	 | 
                      ||||||||||||
| Image | Part No | Mfg | Description | ![]()  | 
                            Pricing (USD)  | 
                            Quantity | ||||||||||||
![]()  | 
                            ![]() PIC1018SCL  | 
                            ![]() Other  | 
                            ![]()  | 
                            ![]() Data Sheet  | 
                            ![]() Negotiable  | 
                            
                            	 | 
                      ||||||||||||
![]()  | 
                            ![]() PIC10F200  | 
                            ![]() Other  | 
                            ![]()  | 
                            ![]() Data Sheet  | 
                            ![]() Negotiable  | 
                            
                            	 | 
                      ||||||||||||
![]()  | 
                            ![]() PIC10F200-E/MC  | 
                            ![]() Microchip Technology  | 
                            ![]() 8-bit Microcontrollers (MCU) 384B Flash16B RAM 4 I/O  | 
                            ![]() Data Sheet  | 
                            ![]() 
  | 
                            
                            	 | 
                      ||||||||||||
![]()  | 
                            ![]() PIC10F200-E/OT  | 
                            ![]() Other  | 
                            ![]()  | 
                            ![]() Data Sheet  | 
                            ![]() Negotiable  | 
                            
                            	 | 
                      ||||||||||||
![]()  | 
                            ![]() PIC10F200-E/P  | 
                            ![]() Microchip Technology  | 
                            ![]() 8-bit Microcontrollers (MCU) U 579-PIC10F200-I/P  | 
                            ![]() Data Sheet  | 
                            ![]() Negotiable  | 
                            
                            	 | 
                      ||||||||||||
![]()  | 
                            ![]() PIC10F200-I/MC  | 
                            ![]() Microchip Technology  | 
                            ![]() 8-bit Microcontrollers (MCU) 0.375KB Fl 16B RAM  | 
                            ![]() Data Sheet  | 
                            ![]() 
  | 
                            
                            	 | 
                      ||||||||||||
 (China (Mainland)) 
                         
                        
                                    








