Product Summary
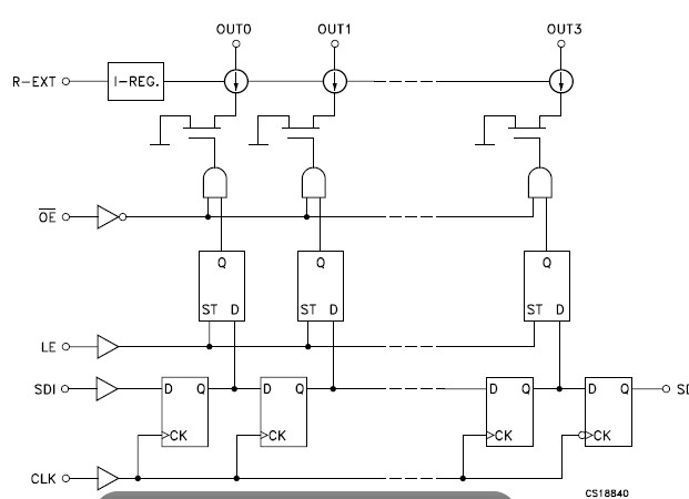
The STP04CM596 is a high-power LED Driver and 4-bit shift register designed for Power LED applications.
Parametrics
STPS30L40C absolute maximum ratings: (1)Supply voltage: 0 to 7 V; (2)Output voltage: -0.5 to 16 V; (3)Output current: 500 mA; (4)Input voltage: -0.4 to VDD+0.4 V; (5)GND terminal current: 2000 mA; (6)Clock frequency: 25 MHz; (7)Operating temperature range: -40 to +125 °C; (8)Storage temperature range: -55 to +150 °C.
Features
STPS30L40C features: (1)4 constant current output channels; (2)Adjustable output current through one external resistor; (3)Serial data IN/parallel data OUT; (4)Serial OUT change state on the failing edges of clock; (5)Four outputs current: 80-500mA; (6)25MHz clock frequency; (7)Available in high thermal TSSOP exposed pad.
Diagrams

| Image | Part No | Mfg | Description | ![]() |
Pricing (USD) |
Quantity | ||||||||||||
|---|---|---|---|---|---|---|---|---|---|---|---|---|---|---|---|---|---|---|
![]() |
![]() STPS30L40CG |
![]() STMicroelectronics |
![]() Schottky (Diodes & Rectifiers) 2X15 Amp 40 Volt |
![]() Data Sheet |
![]() Negotiable |
|
||||||||||||
![]() |
![]() STPS30L40CG-TR |
![]() Other |
![]() |
![]() Data Sheet |
![]() Negotiable |
|
||||||||||||
![]() |
![]() STPS30L40CW |
![]() STMicroelectronics |
![]() Schottky (Diodes & Rectifiers) 2X15 Amp 40 Volt |
![]() Data Sheet |
![]()
|
|
||||||||||||
![]() |
![]() STPS30L40CT |
![]() STMicroelectronics |
![]() Schottky (Diodes & Rectifiers) 2X15 Amp 40 Volt |
![]() Data Sheet |
![]() Negotiable |
|
||||||||||||
(China (Mainland))










