Product Summary
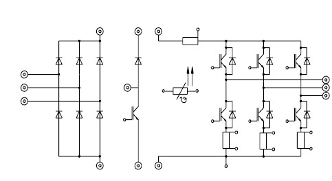
The 22NAB12T18 is a 3-phase bridge rectifier braking chopper 3-phase bridge inverter.
Parametrics
22NAB12T18 absolute maximum ratings: (1)VCES: 1200V; (2)VGES: 20V; (3)IC: 23 / 15A; (4)ICM: 46 / 30A; (5)IF = –IC: 24 / 17A; (6)IFM = –ICM: 48 / 34A; (7)Tj: – 40 to + 150℃; (8)Tstg: – 40 to + 125℃; (9)Viso: 2500V.
Features
22NAB12T18 features: (1)specification of shunts and temperature sensor see part A; (2)common characteristics see page B 16 – 4.
Diagrams

(China (Mainland))






