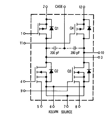
Product Summary
The MPM3002 is a TMOS ICePAK Power Modulewith lossless current sensing capability. The upper legs of the bridge consists of P-Channel power MOSFETs and the lower legs of the bridge consist of two SENSEFET devices. The MPM3002 packaged in the ICePAK package is ideal for applications such as servo motor drives, stepper motor controls and switching power supplies.
Parametrics
MPM3002 absolute maximum ratings: (1)Drain-to-Source Voltage: 100V; (2)Drain-to-Gate Voltage (Rqs = 1 Mn): 100V; (3)Gate-to-Source Voltage: ±20V; (4)Drain-to-Mirror Voltage: 100V; (5)Gate-to-Mirror Voltage: ±20V; (6)Drain Current Continuous: 12A, Pulsed: 30A, Continuous: 8A, Pulsed: 25A, Continuous: 8A, Pulsed: 25A; (7)Sense Current Continuous: 13mA, Pulsed: 33mA; (8)RMS Isolation Voltage: 2000V; (9)Operating and Storage Temperature Range: -40 to 150℃.
Features
MPM3002 features: (1)P and N-Channel Power MOSFET Configuration for Ease of Drive; (2)Lossless Current Sensing in Each Lower Leg of the H-Bridge; (3)Isolated Package with 2 kV Isolation Voltage Rating; (4)High Power Handling Capability - 62.5 Watts; (5)High Peak Current Handling Capability - 25 Amperes.
Diagrams

(China (Mainland))






