Product Summary
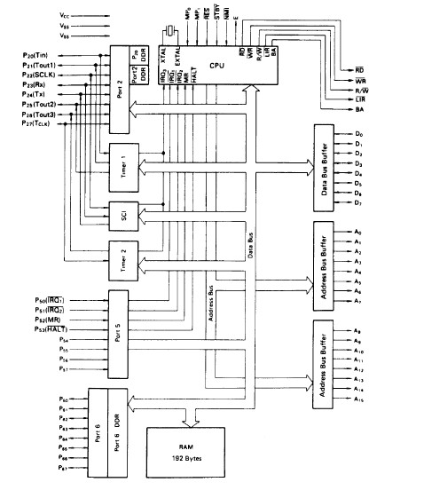
The HD63B03X is a CMOS 8-bit micro processing unit (MPU) which includes a CPU compatible with the HD6301V1, 192 bytes of RAM, 24 parallel I/O pins, a Serial Communication Interface (SCI) and two timers on chip
Parametrics
HD63B03X absolute maximum ratings: (1)Supply Voltage: -0.3 to +7.0 V; (2)Input Voltage: -0.3 to Vcc+0.3 V; (3)Operating Temperature: 0 to +70℃; (4)Storage Temperature: -55 to +150℃; (5)Darlington Drive Current: 10.0 mA; (6)Input Capacitance: 12.5 pF.
Features
HD63B03X features: (1)Instruction Set Compatible with the HD6301V1; (2)192 Bytes of RAM; (3)24 Parallel I/O Pins 16 I/O Pins-Port 2, 6 8 Input Pins Port 5; (4)Darlington Transistor Drive (Port 2, 6); (5)16 Bit Programmable Timer Input Capture Register x 1 Free Running Counter x 1 Output Compare Register x 2; (6)8-Bit Reloadable Timer External Event Counter Square Wave Generation; (7)Serial Communication Interface; (8)Memory Ready; (9)Halt; (10)Error-Detection (Address Trap, Op-Code Trap); (11)Interrupts : 3 External, 7 Internal Up to 65k Bytes Address Space.
Diagrams

![]() |
![]() HD6303R |
![]() Other |
![]() |
![]() Data Sheet |
![]() Negotiable |
|
||||
![]() |
![]() HD6303Y |
![]() Other |
![]() |
![]() Data Sheet |
![]() Negotiable |
|
||||
![]() |
![]() HD6305U0 |
![]() Other |
![]() |
![]() Data Sheet |
![]() Negotiable |
|
||||
![]() |
![]() HD6305Y0 |
![]() Other |
![]() |
![]() Data Sheet |
![]() Negotiable |
|
||||
![]() |
![]() HD6321 |
![]() Other |
![]() |
![]() Data Sheet |
![]() Negotiable |
|
||||
![]() |
![]() HD63265 |
![]() Other |
![]() |
![]() Data Sheet |
![]() Negotiable |
|
||||
(China (Mainland))








