Product Summary
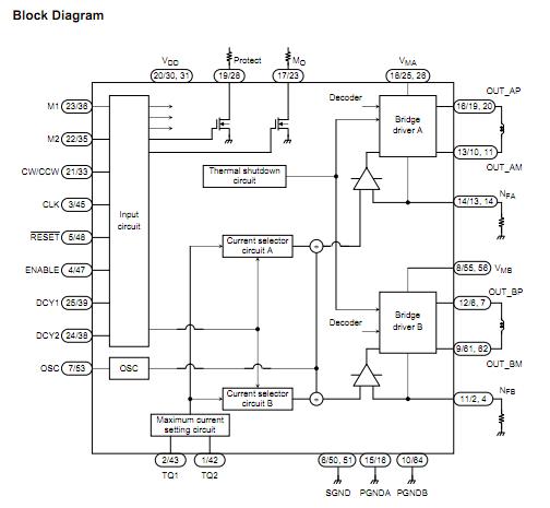
The TB6560FG is a PWM chopper-type stepping motor driver IC designed for sinusoidal-input microstep control of bipolar stepping motors. The TB6560FG can be used in applications that require 2-phase, 1-2-phase, 2W1-2-phase and 4W1-2-phase excitation modes. The TB6560FG is capable of low-vibration, high-performance forward and reverse driving of a two-phase bipolar stepping motor using only a clock signal.
Parametrics
TB6560FG absolute maximum ratings: (1)Power supply voltage, VDD: 6V; VMA/B: 40V; (2)Output current, Peak, AHQ, IO (PEAK): 3.5A/phase; AFG: 2.5 A/phase; (3)MO drain current, I(MO): 1 mA; (4)Input voltage, VIN: 5.5 V; (5)power dissipation, PD: 4.2W; (6)Operating temperature, Topr: -30 to 85℃; (7)Storage temperature, Tstg: -55 to 150℃.
Features
TB6560FG features: (1)Single-chip motor driver for sinusoidal microstep control of stepping motors; (2)High output withstand voltage due to the use of BiCD process: Ron (upper and lower sum) = 0.6 Ω (typ.); (3)Forward and reverse rotation; (4)Selectable phase excitation modes (2, 1-2, 2W1-2 and 4W1-2); (5)High output withstand voltage: VDSS = 40 V; (6)High output current: IOUT = AHQ: 3.5 A (peak), AFG: 2.5 A (peak); (7)Packages: HZIP25-P-1.27/HQFP64-P-1010-0.50; (8)Internal pull-down resistors on inputs: 100 kΩ (typ.); (9)Output monitor pin: MO current (IMO (max) = 1 mA); (10)Reset and enable pins; (11)Thermal shutdown (TSD).
Diagrams

| Image | Part No | Mfg | Description | ![]() |
Pricing (USD) |
Quantity | ||||
|---|---|---|---|---|---|---|---|---|---|---|
![]() |
![]() TB6560FG |
![]() Toshiba |
![]() Motor / Motion / Ignition Controllers & Drivers STEPPER MOTOR DRIVER 2-PHASE |
![]() Data Sheet |
![]() Negotiable |
|
||||
| Image | Part No | Mfg | Description | ![]() |
Pricing (USD) |
Quantity | ||||
![]() |
![]() TB6500AH |
![]() Other |
![]() |
![]() Data Sheet |
![]() Negotiable |
|
||||
![]() |
![]() TB6513AF |
![]() Other |
![]() |
![]() Data Sheet |
![]() Negotiable |
|
||||
![]() |
![]() TB6515AP |
![]() Other |
![]() |
![]() Data Sheet |
![]() Negotiable |
|
||||
![]() |
![]() TB6518F |
![]() Other |
![]() |
![]() Data Sheet |
![]() Negotiable |
|
||||
![]() |
![]() TB6519AF |
![]() Other |
![]() |
![]() Data Sheet |
![]() Negotiable |
|
||||
![]() |
![]() TB6520P |
![]() Other |
![]() |
![]() Data Sheet |
![]() Negotiable |
|
||||
(China (Mainland))









